Servicios Especializados y Convencionales

Ponemos a su disposición servicios con vanguardia tecnológica garantizando alta calidad en el resultado y logrando los mejores ahorros en tiempo y costo. 

SERVICIOS DE WELL TESTING
NUESTROS EQUIPOS

Mobirise Website Builder

- Separador horizontal 3 faces.
- Máxima presión de trabajo: 1440 psi.
- Dimensiones: 20” Diámetro por 10 Ft. Longitud
- Medidor: Coriolis de 2”
- Capacidad máxima de flujo líquidos: 900 bpd
- Tubo de medición: 3” Fiting
- Capacidad máxima de flujo de gas: 10 mmpcd
- Temperatura de trabajo: 125 F
- Capacidad de vasija: 4.02 bls. 

Mobirise Website Builder

- Separador horizontal 3 faces.
- Máxima presión de trabajo: 1440 psi.
- Dimensiones: 24” Diámetro por 10 Ft. Longitud
- Medidor: Coriolis de 2”
- Capacidad máxima de flujo líquidos: 1 200 bpd
- Tubo de medición: 3” Fiting
- Capacidad máxima de flujo de gas: 16 mmpcd
- Temperatura de trabajo: 125 F
- Capacidad de vasija: 5.68 bls. 

Mobirise Website Builder

- Separador horizontal 3 faces.
- Máxima presión de trabajo: 1440 psi.
- Dimensiones: 36” Diámetro por 10 Ft. Longitud
- Medidor: Coriolis de 2”
- Capacidad máxima de flujo líquidos: 10 000 bpd
- Tubo de medición: 3” Fiting
- Capacidad máxima de flujo de gas: 20 mmpcd
- Temperatura de trabajo: 125 F
- Capacidad de vasija: 10.88 bls.

Mobirise Website Builder
MANTENIMIENTO Y ARMADO DE EQUIPO PARA WELL TESTING

Actualmente contamos con un amplio stock de equipo diferentes medidas y capacidades que nos permiten ofrecer a nuestros diferentes soluciones a sus necesidades operativas. 

Mobirise Website Builder
SERVICIOS DE LIMPIEZA CON EQUIPO FLUIDOR

Nuestros equipos permiten el control del flujo de retorno ejecutando una adecuada cuantificación e identificación de líquidos y solidos. También nos especializamos en dar apoyo en limpiezas con TF producto de arenamientos, moliendas o limpiezas de fondo. 

Mobirise Website Builder
SERVICIOS DE INSTRUMENTACIÓN Y CALIBRACIÓN

Verificamos la precisión de sus instrumentos y válvulas industriales reduciendo las interrupciones mediante la realización de pruebas en sitio, eliminando los problemas relacionados con los instrumentos y disminuyendo el tiempo de inactividad de los procesos causado por fallos de control. 

Mobirise Website Builder
ESTIMULACIÓN DE POZOS POR APLICACIÓN DE BARRAS ESPUMANTES.

- En Quality Provide Solutions ofrecemos a nuestros clientes opciones de servicio para la estimulación de sus pozos por medio de la aplicación de barras espumantes.
- Sistema Manual
- Sistema Automático 

Mobirise Website Builder
SERVICIO DE LUBRICADOR E INSTALACION DE VÁLVULA TIPO H

Ofrecemos servicios de mantenimientos a preventores o arboles de producción utilizando la válvula de contrapresión tipo H. La herramienta requerida para insertar y remover ésta válvula de una manera segura es el lubricador. 

Mobirise Website Builder
PRUEBAS HIDROSTÁTICAS

Pruebas Hidrostáticas y Neumáticas para tanques y tuberías. Basado en las normativas internacionales y nacionales vigentes, nuestro banco de prueba cuenta con una capacidad máxima de 15,000 Psi. 

Mobirise Website Builder
VÁLVULAS FRAC STACK

Nuestras válvulas Frac Stack cumplen la función de vincular los equipamientos de fractura con el pozo y al mismo tiempo es utilizado como barrera de seguridad durante las operaciones de Workover. 

Mobirise Website Builder
SERVICIO DE LUBRICACION Y MANTENIMIENTO DE VALVULAS.

Servicio de Lubricación del árbol de válvulas: Se realiza la aplicación de grasa mediante un sistema neumático que permite lubricar a cada válvula de compuerta instalada en los árboles de producción así como la identificación y reparación de fallas, remplazo de componentes etc. 

Mobirise Website Builder
RENTA DE CAMPER HABITACIONALES

Nuestros camper están diseñados y fabricados especialmente para aquellas empresas que buscan invertir en equipos logrando un verdadero balance entre precio, calidad y comodidad de los usuarios.  

Mobirise Website Builder
RENTA DE PLANTAS GENERADORAS DE ENERGIA Y LUZ

Contamos con un stock amplio de unidades de diferentes capacidades (25 Kva , 50 kva, 65 kva y 70 kva). 

Servicios de mediciones a sistemas artificiales de producción como:


Sistema de bombeo mecánico (SBM)

Sistema de bombeo neumático (SBN)

Sistema de cavidades progresivas (SBCP)

Sistemas de bombeo hidráulico (SBH). .


Venta de medidores másicos tipo Coriolis, instalación, programación y mantenimiento.

Ensayos no destructivos y tramites de permisos de funcionamiento ante la STPS en cumplimiento De la NOM-020

Metalmecánica y soldadura, trabajos en baterías de separación y producción

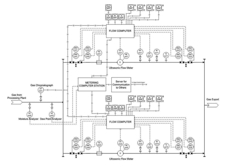
FABRICACIÓN DE EQUIPOS DE MEDICIÓN PARA TRANSFERENCIA DE CUSTODIA.

Mobirise Website Builder

El objetivo principal de esos sistemas es la medición de flujo de hidrocarburos de manera precisa y continua de acuerdo a las recomendaciones internacionales.

La integración de las tecnologías de medición se agrupan de acuerdo a las necesidades especificas de cada campo, tomando en cuenta sus condiciones propias en el manejo de presiones y volumen.

Su fabricación toma en cuenta todas las obligaciones
normativas para cumplimiento en manera regulatoria y legal. 

Mobirise Website Builder

Fabricación de equipos especialmente diseñados de acuerdo a alas necesidades de nuestros clientes.

Diseños unidireccionales o bidireccionales con adecuaciones mecánicas y de instrumentación contemplando la preparación adecuada para mantenimientos, re calibraciones y/o futuras libranzas.

Sistemas de transmisión de datos en tiempo real para el monitoreo constante y preciso de las diferentes variables necesarias para su toma de decisiones.

Costo altamente competitivos, Adecuados a necesidades reales de instrumentación. 

INTALACIÓN DE TRANSMISORES DE CONTROL Y ADQUISICION DE DATOS

Mobirise Website Builder

Aplicación de adquisición de datos y transmisión telemétrica

Permite la medición remota de magnitudes físicas y el posterior envío de la información hacia el operador de sistema

Sistema compuesto por integración de tecnología instalada en puntos estratégicos en instrumentos de medición propios del equipo de medición trifásica.

GENERALES
- Computador de flujo
- Sensor de presión y temperatura
- Caudalímetro de condensado
- Caudalímetro de agua
- Medidor de presión del recipiente
- Medidor de presión de cabeza de pozo
- Sistema de generación de voltaje
- Modem satelital 

Mobirise Website Builder
DATOS INSTANTANEOS
Mobirise Website Builder
ALMACENAMIENTO HISTORICO
Mobirise Website Builder
VISUALIZACION GRAFICAL

Nuestros Clientes


Mobirise Website Builder
Mobirise Website Builder
Mobirise Website Builder
Mobirise Website Builder
Mobirise Website Builder
Mobirise Website Builder
Mobirise Website Builder
Mobirise Website Builder

Contáctanos

Telefono

(899) 951 3583
(899) 936 8617
(782) 101 8229

E-mail

info@qpsservice.com

Mobirise Website Builder

© Copyright 2022 Grupo hero. All Rights Reserved.

Designed with Mobirise ‌

Web Page Creator